мебелен обков
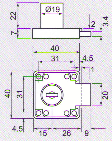
Ключалка, която служи за заключване на вратички от ПДЧ с дебелина 18 мм. Има широко приложение, използва се за заключване, на бюра, офис мебели, контейнери, вратички на гардероби и шкафчета. В комплекта са включени два ключа и насрещник







